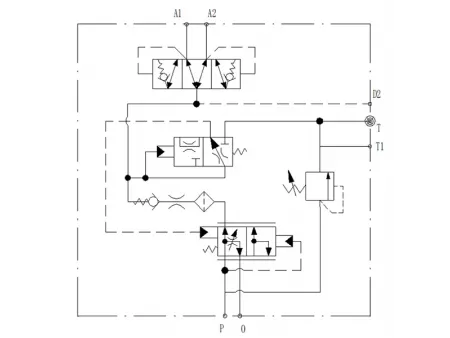
YSV-D Клапан зарядки аккумуляторов (двухконтурный)
- Модульная компактная конструкция для безопасной и надежной работы
- Низкая вероятность внутренних утечек с быстрым обратным откликом, повышающая стабильность гидравлической системы
- Доступен в одно- и двухконтурном исполнении для плавной интеграции с аккумуляторными системами, что гарантирует надежную и эффективную работу всех гидравлических компонентов
Клапан зарядки аккумулятора широко используется в карьерных самосвалах, транспортных средствах, погрузчиках, экскаваторах-погрузчиках, автогрейдерах, тракторах, вилочных и телескопических погрузчиках. Наш гидроклапан зарядки гарантирует, что гидравлический аккумулятор будет постоянно поддерживать достаточный запас гидравлического масла высокого давления для критического резерва энергоснабжения тормозной системы. Столь универсальная система гарантирует эффективное аварийное торможение даже в случае остановки двигателя, выхода из строя гидравлического насоса или неисправности основной тормозной системы.
В нормальных рабочих условиях гидравлический клапан создает быстрое и мощное тормозное усилие, повышая как надежность, так и отказоустойчивую безопасность тормозных систем в тяжелой и мобильной технике.
| Скорость зарядки | 10 л/мин |
| Нижний предел давления | 114 бар |
| Верхний предел давления | 138 бар |
| Давление внутри системы | 210 бар |
| Номинальный расход гидравлического масла | 7.5~113.6 л/мин |
| Температура гидравлического масла | -20℃~120℃ |
| Приемлемая температура окружающей среды | -40℃~80℃ |
| Гидравлическая жидкость | Минеральное масло общего назначения (ISO 20~400 мм²/с) |

