Держатель для труб
Запрос цены
Хомут на ножке для труб из нержавеющей стали стандарта ISO
- Материал: AISI 304
- Размер: Ø25-305 &1"-12"
- Стандарты: ASTM, 3A, SMS, DIN, IDF, RJT, UL213, др.
- Услуга изготовления нестандартных изделий по запросу с использованием чертежей или образцов заказчика.
| Размер | A | B |
| 1/2" | 12.7 | 58.4 |
| 3/4" | 19.1 | 62.5 |
| 11/2" | 25.4 | 65.7 |
| 2" | 38.1 | 72 |
| 2" | 50.8 | 78.4 |
| 21/2" | 63.5 | 84.8 |
| 3" | 76.2 | 91 |
| 4" | 101.6 | 103.8 |
| 5" | 129 | 117.4 |
| 6" | 154 | 130 |
| 8" | 204 | 155 |
| 10" | 254 | 180 |
| 12" | 304 | 205 |
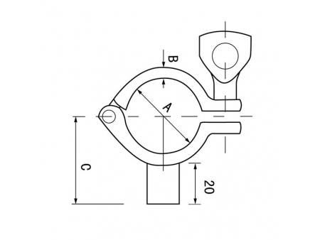
Хомут на ножке с внутренней резьбой ISO-BSP
- Материал: AISI 304
- Размер: Ø25-152 &1"-6"
- Стандарты: ASTM, 3A, SMS, DIN, IDF, RJT, UL213, др.
- Услуга изготовления нестандартных изделий по запросу с использованием чертежей или образцов заказчика.
| Размер | A | B | C |
| 1/2" | 12.70 | 7.50 | 38.00 |
| 3/4" | 19.05 | 7.50 | 38.00 |
| 1" | 25.40 | 7.50 | 38.00 |
| 1 1/2" | 38.10 | 7.50 | 45.00 |
| 2" | 50.80 | 7.50 | 50.00 |
| 2 1/2" | 63.50 | 7.50 | 60.00 |
| 3" | 76.20 | 9.00 | 68.00 |
| 4" | 101.60 | 9.00 | 78.00 |
| 5" | 127 | 9.00 | 78.00 |
| 6" | 152.40 | 9.00 | 82.00 |
Хомут на ножке с наружной резьбой 3A-BSP
- Материал: AISI 304
- Размер: Ø25-305 &1"-12"
- Стандарты: ASTM, 3A, SMS, DIN, IDF, RJT, UL213, др.
- Услуга изготовления нестандартных изделий по запросу с использованием чертежей или образцов заказчика.
| Размер | ØA | B | C |
| 1" | 25.4 | 3 | 5мм |
| 1.5" | 38.1 | 3 | 5мм |
| 2" | 50.8 | 4 | 6мм |
| 2.5" | 63.5 | 4 | 6мм |
| 3" | 76.2 | 5 | 7мм |
| 4" | 101.6 | 5 | 7мм |
| 5" | 127 | 5 | 7мм |
| 6" | 152.4 | 5 | 7мм |
| 8" | 203.2 | 6.5 | 7мм |
| 10" | 254 | 6.5 | 7мм |
| 12" | 304.8 | 6.5 | 7мм |
Хомут на ножке с внутренней резьбой ISO-BSP
- Материал: AISI 304
- Размер: Ø25-152 &1"-6"
- Стандарты: ASTM, 3A, SMS, DIN, IDF, RJT, UL213, др.
- Услуга изготовления нестандартных изделий по запросу с использованием чертежей или образцов заказчика..
| Размер | ØA | B | C |
| 1/2" | 12.70 | 7.50 | 38.00 |
| 3/4" | 19.05 | 7.50 | 38.00 |
| 1" | 25.40 | 7.50 | 38.00 |
| 1 1/2" | 38.10 | 7.50 | 45.00 |
| 2" | 50.80 | 7.50 | 50.00 |
| 2 1/2" | 63.50 | 7.50 | 60.00 |
| 3" | 76.20 | 9.00 | 68.00 |
| 4" | 101.60 | 9.00 | 78.00 |
| 5" | 127 | 9.00 | 78.00 |
| 6" | 152.40 | 9.00 | 82.00 |
Схожая продукция
Обратная связь
Другие продукты
Новинки
Подробнее
Другие продукты
видео

