Электродвигатели рулевого управления
Запрос цены
Отправить запрос
Технические характеристики
| Модель | Z100D550-24A1-30S | Срок эксплуатации щетки | 1200ч |
| Номинальное напряжение | 25В DC | Электрическая прочность | 660В/С |
| Номинальная мощность | 550Вт | Класс изоляции | F |
| Номинальный ток | 30A±10% | Степень защиты | IP20 |
| Номинальная скорость | 3000об/мин±10% | Модель редуктора | ZD-ZH180-25-001 |
| Номинальный крутящий момент | 1.75Н.м | Передаточное число | 25K/17K |
| Ток (холостой ход) | ≤6A | Напряжение тормоза | 24В DC |
| Скорость (холостой ход) | 3500об/мин±10% | Крутящий момент при торможении | 6Н.м |
| Время работы | S2 (45мин) | Температура окружающей среды | -10℃~ 40℃ |
| Изоляционное сопротивление | >20MΩ | Уровень шума | < 60 |
Отправить запрос
Технические характеристики
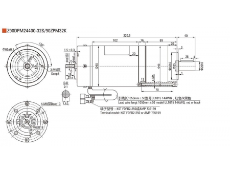
| Модель | Z90DPN24400-32S-BM | Степень защиты | IP20 |
| Номинальное напряжение | 24В DC | Характеристики коробки передач | 82PN33.92K |
| Номинальная мощность | 200Вт | Ступень | 2 |
| Номинальный ток | 24A±10% | Направление вращения выходного вала коробки передач и двигателя | Такой же |
| Номинальная скорость | 3200 об/мин±10% | Тип подшипника | Шарикоподшипники |
| Номинальный крутящий момент | 1.27Н.м | Конструкция коробки передач | Встроенная |
| Ток (холостой ход) | ≤3.5A | Эффективность трансмиссии | 81% |
| Скорость (холостой ход) | 3600 об/мин±10% | Номинальный выходной крутящий момент | 35Н.м |
| Время работы | S2 (10мин) | Макс. мгновенный крутящий момент | В 1,5 раза больше выходного крутящего момента |
| Изоляционное сопротивление | >20MΩ | Температура окружающей среды | -10℃~ 40℃ |
| Срок эксплуатации щетки | 2000ч | Уровень шума | < 60дм (L=100см) |
| Электрическая прочность | 660В/С | ||
| Класс изоляции | B |
Отправить запрос
Технические характеристики
| Модель | Z90DPN24200-32S | Класс изоляции | B |
| Номинальное напряжение | 24В DC | Степень защиты | IP20 |
| Номинальная мощность | 200Вт | Характеристики коробки передач | 90PN32K |
| Номинальный ток | 13A±10% | Ступень | 2 |
| Номинальная скорость | 3200 об/мин±10% | Направление вращения выходного вала коробки передач и двигателя | Такой же |
| Номинальный крутящий момент | 0.597Н.м | Тип подшипника | Шарикоподшипники |
| Ток (холостой ход) | ≤3.5A | Конструкция коробки передач | Встроенная |
| Скорость (холостой ход) | 3600об/мин±10% | Эффективность трансмиссии | 94% |
| Время работы | S2(10мин) | Максимальный крутящий момент коробки передач | 17.954Н.м |
| Изоляционное сопротивление | >20MΩ | Макс. мгновенный крутящий момент для коробки передач | В 2 раза больше номинального выходного крутящего момента |
| Срок эксплуатации щетки | 2000ч | Температура окружающей среды | -10℃~ 40℃ |
| Электрическая прочность | 660В/С | Уровень шума | < 60дм (L=100см) |
| Класс изоляции | B |
Компания Zhongda основана в 1998 году, является ведущим высокотехнологичным предприятием в Китае, которое специализируется на исследованиях, производстве, продаже и услугах в области электроприводов, микродвигателей, прецизионных редукторов и интегрированных интеллектуальных устройств. Уставный капитал компании составляет 104 миллиона юаней. Мы обладаем девятью дочерними компаниями, в которых заняты более 1800 преданных своему делу сотрудников. В августе 2017 года мы разместили свой знак на главной доске Шэньчжэньской фондовой биржи под биржевым кодом: 002896.
Обратная связь
Другие продукты
Новинки
Подробнее
Другие продукты
видео