Шестеренные насосы внешнего зацепления
Запрос цены
Гидравлические насосы
Техническая информация
- Рабочий объем: 0.19~2 см3/об.
- Направление вращения: по часовой стрелке (D), против часовой стрелки (S), реверсивное (R)
- Минимальная скорость: 500~1000 об/мин/мин
- Максимальная скорость: 3000~7000 об/мин/мин
- Пиковое давление: 210~250 бар
- Грузоподъемное оборудование
Характеристики
- Низкий уровень шума, высокая эффективность, длительный срок службы
- Высокая производительность даже на низких скоростях
- Доступно несколько вариантов удлинения масляного отверстия и вала
- Герметичное уплотнение вала
- Дополнительный реверсивный насос
Технические параметры шестеренчатого насоса внешнего зацепления группы 0.5
| Производительность | Абсолютное давление всасывания | Максимальное постоянное давление | Максимальное прерывистое давление | Максимальное пиковое давление | Мин.скорость | Макс. скорость | Объемный КПД |
| V | Pe | P1 | P2 | P3 | nmin | nmax | ηv |
| см3/об | бар | об/мин | % | ||||
| 0.19 | 0.7...3 | 200 | 230 | 250 | 1000 | 7000 | ≥90 |
| 0.26 | |||||||
| 0.38 | |||||||
| 0.5 | |||||||
| 0.65 | ≥91 | ||||||
| 0.75 | |||||||
| 0.88 | |||||||
| 1 | 850 | 6000 | ≥92 | ||||
| 1.25 | 700 | 5000 | |||||
| 1.5 | 600 | 4000 | |||||
| 1.75 | 180 | 210 | 230 | ||||
| 2 | 160 | 190 | 210 | 500 | 3000 | ||
Правила оформления заказа шестеренчатого насоса
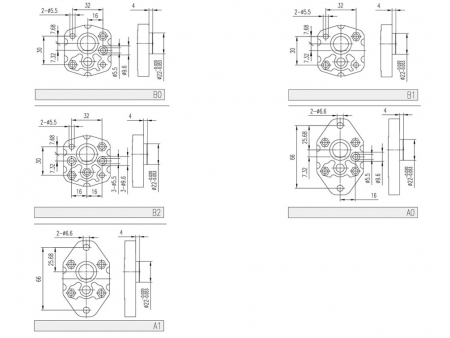
Стандартные размеры шестеренного насоса с внешним зацеплением группы 0.5
| Производительность | Максимальное давление | Макс. скорость | Мин.скорость | Вес | Размеры | Код масляного порта | Входное отверстие | |||
| P1 | P2 | P3 | M | N | ||||||
| (см3/об.) | бар | бар | бар | (об/мин) | (об/мин) | кг | мм | mмм | ||
| 0.19 | 200 | 230 | 250 | 7000 | 1000 | 0.36 | 60 | 51 | LJ0 | G1/4 |
| 0.26 | 200 | 230 | 250 | 7000 | 1000 | 0.364 | 60.5 | 51.5 | LJ0 | G1/4 |
| 0.38 | 200 | 230 | 250 | 7000 | 1000 | 0.372 | 61.5 | 52.5 | UJ0 | G1/4 |
| 0.50 | 200 | 230 | 250 | 7000 | 1000 | 0.38 | 62.5 | 53.5 | LJ0 | G1/4 |
| 0.65 | 200 | 230 | 250 | 7000 | 1000 | 0.40 | 63.5 | 54.5 | LJ0 | G1/4 |
| 0.75 | 200 | 230 | 250 | 7000 | 1000 | 0.408 | 64.5 | 55.5 | U0 | G1/4 |
| 0.88 | 200 | 230 | 250 | 7000 | 1000 | 0.416 | 65.5 | 56.5 | LJ0 | G1/4 |
| 1.00 | 200 | 230 | 250 | 6000 | 850 | 0.42 | 66.5 | 57.5 | U0 | G1/4 |
| 1.25 | 200 | 230 | 250 | 5000 | 700 | 0.436 | 68.5 | 59.5 | LJ0 | G1/4 |
| 1.50 | 200 | 230 | 250 | 4000 | 600 | 0.452 | 70.5 | 61.5 | LJ0 | G1/4 |
| 1.75 | 180 | 210 | 230 | 4000 | 600 | 0.468 | 72.5 | 63.5 | LJ0 | G1/4 |
| 2.00 | 160 | 190 | 210 | 3000 | 500 | 0.484 | 74.5 | 65.5 | LJ0 | G1/4 |
| Производительность | Максимальное давление | Макс.скорость | Мин.скорость | Вес | Размеры | Код масляного порта | Входное отверстие | Выходное отверстие | ||||
| P1 | P2 | P3 | M | N | L | |||||||
| (см3/об.) | бар | бар | бар | (об/мин) | (об/мин) | кг | мм | мм | мм | D | d | |
| 0.19 | 200 | 230 | 250 | 7000 | 1000 | 0.36 | 60 | 51 | 27.2 | L2 | G1/4 | G1/4 |
| 0.26 | 200 | 230 | 250 | 7000 | 1000 | 0.364 | 60.5 | 51.5 | 27.5 | L2 | G1/4 | G1/4 |
| 0.38 | 200 | 230 | 250 | 7000 | 1000 | 0.372 | 61.5 | 52.5 | 28 | L2 | G1/4 | G1/4 |
| 0.50 | 200 | 230 | 250 | 7000 | 1000 | 0.38 | 62.5 | 53.5 | 28.5 | L2 | G1/4 | G1/4 |
| 0.65 | 200 | 230 | 250 | 7000 | 1000 | 0.40 | 63.5 | 54.5 | 29 | L2 | G1/4 | G1/4 |
| 0.75 | 200 | 230 | 250 | 7000 | 1000 | 0.408 | 64.5 | 55.5 | 29.5 | L2 | G1/4 | G1/4 |
| 0.88 | 200 | 230 | 250 | 7000 | 1000 | 0.416 | 65.5 | 56.5 | 30 | L2 | G1/4 | G1/4 |
| 1.00 | 200 | 230 | 250 | 6000 | 850 | 0.42 | 66.5 | 57.5 | 30.5 | L2 | G1/4 | G1/4 |
| 1.25 | 200 | 230 | 250 | 5000 | 700 | 0.436 | 68.5 | 59.5 | 31.5 | L2 | G1/4 | G1/4 |
| 1.50 | 200 | 230 | 250 | 4000 | 600 | 0.452 | 70.5 | 61.5 | 32.5 | L2 | G1/4 | G1/4 |
| 1.75 | 180 | 210 | 230 | 4000 | 600 | 0.468 | 72.5 | 63.5 | 33.5 | L2 | G1/4 | G1/4 |
| 2.00 | 160 | 190 | 210 | 3000 | 500 | 0.484 | 74.5 | 65.5 | 34.5 | L2 | G1/4 | G1/4 |
| Производительность | Максимальное давление | Макс.скорость | Мин.скорость | Вес | Размеры | Код масляного порта | Входное отверстие | ||
| P1 | P2 | P3 | D | ||||||
| (см3/об.) | бар | бар | бар | (об/мин) | (об/мин) | кг | мм | ||
| 0.19 | 200 | 230 | 250 | 7000 | 1000 | 0.395 | 60 | LJ0 | G1/4 |
| 0.26 | 200 | 230 | 250 | 7000 | 1000 | 0.4 | 60.5 | LJ0 | G1/4 |
| 0.38 | 200 | 230 | 250 | 7000 | 1000 | 0.41 | 61.5 | LJ0 | G1/4 |
| 0.5 | 200 | 230 | 250 | 7000 | 1000 | 0.42 | 62.5 | LJ0 | G1/4 |
| 0.65 | 200 | 230 | 250 | 7000 | 1000 | 0.43 | 63.5 | LJ0 | G1/4 |
| 0.75 | 200 | 230 | 250 | 7000 | 1000 | 0.44 | 64.5 | LJ0 | G1/4 |
| 0.88 | 200 | 230 | 250 | 7000 | 1000 | 0.45 | 65.5 | LJ0 | G1/4 |
| 1 | 200 | 230 | 250 | 6000 | 850 | 0.46 | 66.5 | LJ0 | G1/4 |
| 1.25 | 200 | 230 | 250 | 5000 | 700 | 0.48 | 68.5 | LJ0 | G1/4 |
| 1.5 | 200 | 230 | 250 | 4000 | 600 | 0.5 | 70.5 | LJ0 | G1/4 |
| 1.75 | 180 | 210 | 230 | 4000 | 600 | 0.51 | 72.5 | LJ0 | G1/4 |
| 2 | 160 | 190 | 210 | 3000 | 500 | 0.52 | 74.5 | LJ0 | G1/4 |
| Производительность | Максимальное давление | Макс.скорость | Мин.скорость | Вес | Размеры | Код масляного порта | Входное отверстие | Выходное отверстие | |||
| P1 | P2 | P3 | M | L | D | d | |||||
| (см3/об.) | бар | бар | бар | (об/мин) | (об/мин) | кг | мм | мм | |||
| 0.19 | 200 | 230 | 250 | 7000 | 0.395 | 60 | 27.2 | L2 | G1/4 | G1/4 | |
| 0.26 | 200 | 230 | 250 | 7000 | 0.4 | 60.5 | 27.5 | L2 | G1/4 | G1/4 | |
| 0.38 | 200 | 230 | 250 | 7000 | 1000 | 0.41 | 61.5 | 28 | L2 | G1/4 | G1/4 |
| 0.5 | 200 | 230 | 250 | 7000 | 1000 | 0.42 | 62.5 | 28.5 | L2 | G1/4 | G1/4 |
| 0.65 | 200 | 230 | 250 | 7000 | 1000 | 0.43 | 63.5 | 29 | L2 | G1/4 | G1/4 |
| 0.75 | 200 | 230 | 250 | 7000 | 1000 | 0.44 | 64.5 | 29.5 | L2 | G1/4 | G1/4 |
| 0.88 | 200 | 230 | 250 | 7000 | 1000 | 0.45 | 65.5 | 30 | L2 | G1/4 | G1/4 |
| 1 | 200 | 230 | 250 | 6000 | 850 | 0.46 | 66.5 | 30.5 | L2 | G1/4 | G1/4 |
| 1.25 | 200 | 230 | 250 | 5000 | 700 | 0.48 | 68.5 | 31.5 | L2 | G1/4 | G1/4 |
| 1.5 | 200 | 230 | 250 | 4000 | 600 | 0.5 | 70.5 | 32.5 | L2 | G1/4 | G1/4 |
| 1.75 | 180 | 210 | 230 | 4000 | 600 | 0.51 | 72.5 | 33.5 | L2 | G1/4 | G1/4 |
| 2 | 160 | 190 | 210 | 3000 | 500 | 0.52 | 74.5 | 34.5 | L2 | G1/4 | G1/4 |
| Производительность | Максимальное давление | Макс.скрость | Мин.скорость | Вес | Размеры | Код масляного порта | Входное отверстие | |||
| P1 | P2 | P3 | M | L | D | |||||
| (см3/об.) | бар | бар | бар | (об/мин) | (об/мин) | кг | мм | мм | ||
| 0.19 | 150 | 170 | 190 | 7000 | 0.4 | 68 | 51 | LJ0 | G1/4 | |
| 0.26 | 150 | 170 | 190 | 7000 | 1000 | 0.41 | 68.5 | 51.5 | LJ0 | G1/4 |
| 0.38 | 150 | 170 | 190 | 7000 | 1000 | 0.42 | 69.5 | 52.5 | LJ0 | G1/4 |
| 0.5 | 150 | 170 | 190 | 7000 | 1000 | 0.43 | 70.5 | 53.5 | LJ0 | G1/4 |
| 0.65 | 150 | 170 | 190 | 7000 | 1000 | 0.44 | 71.5 | 54.5 | LJ0 | G1/4 |
| 0.75 | 150 | 170 | 190 | 7000 | 1000 | 0.45 | 72.5 | 55.5 | LJ0 | G1/4 |
| 0.88 | 150 | 170 | 190 | 7000 | 1000 | 0.46 | 73.5 | 56.5 | LJ0 | G1/4 |
| 1 | 150 | 170 | 190 | 6000 | 850 | 0.47 | 74.5 | 57.5 | LJ0 | G1/4 |
| 1.25 | 150 | 170 | 190 | 5000 | 700 | 0.49 | 76.5 | 59.5 | LJ0 | G1/4 |
| 1.5 | 150 | 170 | 190 | 4000 | 600 | 0.51 | 78.5 | 61.5 | LJ0 | G1/4 |
| 1.75 | 150 | 170 | 190 | 4000 | 600 | 0.52 | 80.5 | 63.5 | LJ0 | G1/4 |
| 2 | 150 | 170 | 190 | 3000 | 500 | 0.53 | 82.5 | 65.5 | LJ0 | G1/4 |
- Дата: 28-31 Мая 2024Адрес: Крокус Экспо, МоскваНомер стенда: HALL8 8-910Представленный продукт: Гидравлический шестеренный насос
Схожая продукция
Обратная связь
Другие продукты
Новинки
Подробнее
Другие продукты
видео

