Шестеренные насосы внешнего зацепления
Запрос цены
Гидравлические насосы
Техническая информация
- Рабочий объем: 0.8~12 см3/об.
- Направление вращения: по часовой стрелке (D), против часовой стрелки (S), реверсивное (R)
- Минимальная скорость: 500~800 об/мин/мин
- Максимальная скорость: 2000~4000 об/мин/мин
- Пиковое давление: 190~270 бар
- Гидравлическая система, багажник автомобиля
Характеристики
- Низкий уровень шума, высокая эффективность, длительный срок службы
- Высокая производительность даже на низких оборотах
- Доступно несколько вариантов масляного отверстия и удлинителей вала
- Доступно несколько вариантов масляного отверстия и удлинения вала
- Опциональный реверсивный насос и двигатель
Технические параметры шестеренного насоса с внешним зацеплением, группа 1.2
| Производительность | Абсолютное давление всасывания | Макс. постоянное давление | Макс. прерывистое давление | Макс. пиковое давление | Мин.скорость | Макс.скорость | Объемный КПД |
| Y | Pe | P1 | P2 | P3 | nmin | nmax | ηv |
| см3/об. | бар | т/мин | % | ||||
| 0.8 | 0.7...3 | 230 | 250 | 270 | 800 | 4000 | ≥90 |
| 1.2 | |||||||
| 1.7 | ≥91 | ||||||
| 2.5 | |||||||
| 3.2 | 210 | 230 | 250 | 700 | 3800 | ||
| 4.3 | ≥92 | ||||||
| 5 | 3500 | ||||||
| 6 | 200 | 220 | 240 | ||||
| 6.5 | 3000 | ||||||
| 7.8 | 180 | 200 | 220 | 500 | |||
| 8.5 | 170 | 190 | 210 | 2800 | ≥93 | ||
| 10 | 150 | 175 | 190 | 2000 | |||
| 12 | ≥94 | ||||||
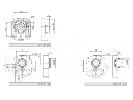
Правила оформления заказа шестеренного насоса с внешним зацеплением, группа 1.2
Стандарные размеры шестеренного насоса с внешним зацеплением, группа 1.2
| Производительность | Макс. давление | Макс.скорость | Мин.скорость | Вес | Размеры | Код масляного порта | Входное отверстие | Выходное отверстие | ||||
| P1 | P2 | P3 | M | N | L | D | d | |||||
| ( см3/об.) | бар | бар | бар | (об/мин) | (об/мин) | кг | мм | мм | мм | |||
| 0.8 | 230 | 250 | 270 | 4000 | 800 | 1.0 | 84 | 78.7 | 43.5 | Z3 | M16X1.5 | M16X1.5 |
| 1.2 | 230 | 250 | 270 | 4000 | 800 | 1.05 | 85.6 | 80.3 | 44.3 | Z3 | M16X1.5 | M16X1.5 |
| 1.7 | 230 | 250 | 270 | 4000 | 800 | 1.13 | 87.6 | 82.3 | 45.3 | Z3 | M16X1.5 | M16X1.5 |
| 2.5 | 230 | 250 | 270 | 4000 | 800 | 1.2 | 90.9 | 85.6 | 46.9 | Z3 | M16X1.5 | M16X1.5 |
| 3.2 | 210 | 230 | 250 | 3800 | 700 | 1.3 | 94 | 88.7 | 48.5 | Z3 | M16X1.5 | M16X1.5 |
| 4.3 | 210 | 230 | 250 | 3800 | 700 | 1.45 | 98.8 | 93.5 | 50.9 | Z1 | M18X1.5 | M18X1.5 |
| 5.0 | 210 | 230 | 250 | 3500 | 700 | 1.55 | 01.8 | 96.5 | 52.4 | Z1 | M18X1.5 | M18X1.5 |
| 6.0 | 200 | 220 | 240 | 3500 | 700 | 1.7 | 105.3 | 100 | 54.2 | Z1 | M18X1.5 | M18X1.5 |
| 6.5 | 200 | 220 | 240 | 3000 | 700 | 1.75 | 07.8 | 102.5 | 55.4 | Z1 | M18X1.5 | M18X1.5 |
| 7.8 | 180 | 200 | 220 | 3000 | 500 | 1.88 | 13.4 | 108. | 58.2 | Z1 | M18X1.5 | M18X1.5 |
| 8.5 | 170 | 190 | 210 | 2800 | 500 | 1.95 | 15.6 | 10.3 | 59.3 | Z5 | M22X1.5 | M18X1.5 |
| 10 | 150 | 175 | 190 | 2000 | 500 | 2.2 | 22.6 | 117.3 | 62.8 | Z5 | M22X1.5 | M18X1.5 |
| 12 | 150 | 175 | 190 | 2000 | 500 | 2.45 | 30.6 | 25.3 | 66.8 | Z5 | M22X1.5 | M18X1.5 |
| Производительность | Макс. давление | Макс.скорость | Мин.скорость | Вес | Размеры | Код масляного порта | Входное отверстие | |||
| P1 | P2 | P3 | M | N | D | |||||
| ( см3/об.) | бар | бар | бар | (об/мин) | (об/мин) | кг | мм | мм | ||
| 0.8 | 230 | 250 | 270 | 4000 | 800 | 3.35 | 81.5 | 74.5 | LJ1 | G3/8 |
| 1.2 | 230 | 250 | 270 | 4000 | 800 | 3.4 | 83.1 | 76.1 | LJ1 | G3/8 |
| 1.7 | 230 | 250 | 270 | 4000 | 800 | 3.5 | 85.1 | 78.1 | LJ1 | G3/8 |
| 2.5 | 230 | 250 | 270 | 4000 | 800 | 3.6 | 88.4 | 81.4 | LJ1 | G3/8 |
| 3.2 | 210 | 230 | 250 | 3800 | 700 | 3.7 | 91.5 | 84.5 | LJ1 | G3/8 |
| 4.3 | 210 | 230 | 250 | 3800 | 700 | 3.8 | 96.3 | 89.3 | LJ1 | G3/8 |
| 5.0 | 210 | 230 | 250 | 3500 | 700 | 3.9 | 99.3 | 92.3 | LJ1 | G3/8 |
| 6.0 | 200 | 220 | 240 | 3500 | 700 | 4.0 | 102.8 | 95.8 | LJ1 | G3/8 |
| 6.5 | 200 | 220 | 240 | 3000 | 700 | 4.1 | 105.3 | 98.3 | LJ2 | G1/2 |
| 7.8 | 180 | 200 | 220 | 3000 | 500 | 4.2 | 10.9 | 03.9 | J2 | G1/2 |
| 8.5 | 170 | 190 | 210 | 2800 | 500 | 4.3 | 113. | 06. | LJ2 | G1/2 |
| 10 | 150 | 175 | 190 | 2000 | 500 | 4.2 | 120. | 13. | LJ2 | G1/2 |
| 12 | 150 | 175 | 190 | 2000 | 500 | 4.3 | 128. | 121.1 | LJ2 | G1/2 |
| Производительность | Макс. давление | Макс.скорость | Мин.скорость | Вес | Размеры | Код масляного порта | Входное отверстие | Выходное отверстие | ||||||
| P1 | P2 | P3 | M | N | L | D | d | |||||||
| ( см3/об.) | бар | бар | бар | (об/мин) | (об/мин) | кг | мм | мм | мм | |||||
| 0.8 | 230 | 250 | 270 | 4000 | 800 | 3.35 | 81.5 | 74.5 | 38.8 | L1 | G3/8 | G3/8 | ||
| 1.2 | 230 | 250 | 270 | 4000 | 800 | 3.4 | 83.1 | 76. | 39.6 | L1 | G3/8 | G3/8 | ||
| 1.7 | 230 | 250 | 270 | 4000 | 800 | 3.5 | 85.1 | 78.1 | 40.6 | L1 | G3/8 | G3/8 | ||
| 2.5 | 230 | 250 | 270 | 4000 | 800 | 3.6 | 88.4 | 81.4 | 42.2 | L1 | G3/8 | G3/8 | ||
| 3.2 | 210 | 230 | 250 | 3800 | 700 | 3.7 | 91.5 | 84.5 | 43.8 | L1 | G3/8 | G3/8 | ||
| 4.3 | 210 | 230 | 250 | 3800 | 700 | 3.8 | 96.3 | 89.3 | 46.2 | L2 | G1/2 | G3/8 | ||
| 5.0 | 210 | 230 | 250 | 3500 | 700 | 3.9 | 99.3 | 92.3 | 47.7 | L2 | G1/2 | G3/8 | ||
| 6.0 | 200 | 220 | 240 | 3500 | 700 | 4.0 | 02.8 | 95.8 | 49.5 | L2 | G1/2 | G3/8 | ||
| 6.5 | 200 | 220 | 240 | 3000 | 700 | 4.1 | 05.3 | 98.3 | 50.7 | L2 | G1/2 | G3/8 | ||
| 7.8 | 180 | 200 | 220 | 3000 | 500 | 4.2 | 10.9 | 03.9 | 53.5 | L2 | G1/2 | G3/8 | ||
| 8.5 | 170 | 190 | 210 | 2800 | 500 | 4.3 | 113. | 106. | 54.6 | L3 | G1/2 | G1/2 | ||
| 10 | 150 | 175 | 190 | 2000 | 500 | 4.2 | 20. | 13. | 58.1 | L3 | G1/2 | G1/2 | ||
| 12 | 150 | 175 | 190 | 2000 | 500 | 4.3 | 28. | 121.1 | 62.1 | L3 | G1/2 | G1/2 | ||
| Производительность | Макс. давление | Макс.скорость | Мин.скорость | Вес | Размеры | Код масляного порта | Входное отверстие | Выходное отверстие | |||||||
| P1 | P2 | P3 | M | N | L | D | d | ||||||||
| ( см3/об.) | бар | бар | бар | (об/мин) | (об/мин) | кг | мм | мм | мм | ||||||
| 0.8 | 230 | 250 | 270 | 4000 | 800 | 3.35 | 81.5 | 74.5 | 38.8 | L1 | G3/8 | G3/8 | |||
| 1.2 | 230 | 250 | 270 | 4000 | 800 | 3.4 | 83.1 | 76. | 39.6 | L1 | G3/8 | G3/8 | |||
| 1.7 | 230 | 250 | 270 | 4000 | 800 | 3.5 | 85.1 | 78.1 | 40.6 | L1 | G3/8 | G3/8 | |||
| 2.5 | 230 | 250 | 270 | 4000 | 800 | 3.6 | 88.4 | 81.4 | 42.2 | L1 | G3/8 | G3/8 | |||
| 3.2 | 210 | 230 | 250 | 3800 | 700 | 3.7 | 91.5 | 84.5 | 43.8 | L1 | G3/8 | G3/8 | |||
| 4.3 | 210 | 230 | 250 | 3800 | 700 | 3.8 | 96.3 | 89.3 | 46.2 | L3 | G1/2 | G1/2 | |||
| 5.0 | 210 | 230 | 250 | 3500 | 700 | 3.9 | 99.3 | 92.3 | 47.7 | L3 | G1/2 | G1/2 | |||
| 6.0 | 200 | 220 | 240 | 3500 | 700 | 4.0 | 102.8 | 95.8 | 49.5 | L3 | G1/2 | G1/2 | |||
| 6.5 | 200 | 220 | 240 | 3000 | 700 | 4.1 | 05.3 | 98.3 | 50.7 | L3 | G1/2 | G1/2 | |||
| 7.8 | 180 | 200 | 220 | 3000 | 500 | 4.2 | 10.9 | 03.9 | 53.5 | L3 | G1/2 | G1/2 | |||
| 8.5 | 170 | 190 | 210 | 2800 | 500 | 4.3 | 113. | 06. | 54.6 | L3 | G1/2 | G1/2 | |||
| 10 | 150 | 175 | 190 | 2000 | 500 | 4.2 | 120.1 | 13. | 58.1 | L3 | G1/2 | G1/2 | |||
| 12 | 150 | 175 | 190 | 2000 | 500 | 4.3 | 128.1 | 121. | 62.1 | L3 | G1/2 | G1/2 | |||
- Дата: 28-31 Мая 2024Адрес: Крокус Экспо, МоскваНомер стенда: HALL8 8-910Представленный продукт: Гидравлический шестеренный насос
Схожая продукция
Обратная связь
Другие продукты
Новинки
Подробнее
Другие продукты
видео

