Шестеренные насосы внешнего зацепления
Запрос цены
                                    
                                                                                                    
                                                                
                                Гидравлические насосы
   Техническая информация 
- Рабочий объем: 0.8~8 см3/об.
- Направление вращения: по часовой стрелке (D), против часовой стрелки (S)
- Минимальная скорость: 600~1000 об/мин/мин
- Максимальная скорость: 2100~6000 об/мин/мин
- Пиковое давление: 200~270 бар
- Гидравлическая система
- Автомобильные подъемники
- Ветрогенераторы
- Грузоподъемное оборудование
Характеристики
- Низкий уровень шума, высокая эффективность, длительный срок службы
- Высокая производительность даже на низких оборотах
- Герметичное уплотнение вала
- Дополнительный встроенный перепускной клапан
- Дополнительные насосы высокого и низкого давления
- Доступны несколько вариантов масляного отверстия и удлинения вала
Технические параметры шестеренного насоса с внешним зацеплением группы 1
 | Производитльность | Абсолютное давление всасывания | Макс.постоянное давление | Макс.прерывистое давление | Макс.пиковое давление | Мин. скорость | Макс.скорость | Объемный КПД | 
| V | Pe | P1 | P2 | P3 | nmin | nmax | ηv | 
| см3/об | бар | об/мин | % | ||||
| 0.8 | 0.7...3 | 230 | 250 | 270 | 1000 | 6000 | ≥90 | 
| 1.1 | |||||||
| 1.3 | ≥91 | ||||||
| 1.6 | |||||||
| 1.8 | |||||||
| 2.1 | ≥92 | ||||||
| 2.7 | 800 | ||||||
| 3.2 | 210 | 230 | 250 | 5000 | |||
| 3.7 | 4500 | ||||||
| 4.2 | |||||||
| 4.8 | 190 | 210 | 230 | 600 | 3500 | ≥93 | |
| 5.8 | 3000 | ||||||
| 7 | 160 | 180 | 200 | 2500 | |||
| 8 | 2100 | ||||||
Правила оформления заказа шестеренчатого насоса
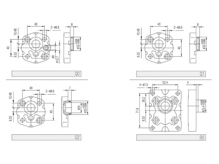
 Стандартные размеры шестеренчатых насосов внешнего зацепления группы 1
 | Производительность | Максимальное давление | Макс. скорость | Мин.скорость | Вес | Размеры | Код масляного порта | Входное отверстие | |||
| P1 | P2 | P3 | M | N | ||||||
| (см3/об.) | бар | бар | бар | об/мин | об/мин | кг | мм | мм | D | |
| 0.8 | 230 | 250 | 270 | 6000 | 1000 | 0.76 | 73.5 | 61.5 | LJ1 | G3/8 | 
| 1.1 | 230 | 250 | 270 | 6000 | 1000 | 0.77 | 74 | 62 | LJ1 | G3/8 | 
| 1.3 | 230 | 250 | 270 | 6000 | 1000 | 0.78 | 75 | 63 | LJ1 | G3/8 | 
| 1.6 | 230 | 250 | 270 | 6000 | 1000 | 0.79 | 76 | 64 | UJ1 | G3/8 | 
| 1.8 | 230 | 250 | 270 | 6000 | 1000 | 0.81 | 77 | 65 | LJ1 | G3/8 | 
| 2.1 | 230 | 250 | 270 | 6000 | 1000 | 0.82 | 78 | 66 | LJ1 | G3/8 | 
| 2.7 | 230 | 250 | 270 | 6000 | 800 | 0.85 | 80 | 68 | UJ1 | G3/8 | 
| 3.2 | 210 | 230 | 250 | 5000 | 800 | 0.87 | 82 | 70 | LJ1 | G3/8 | 
| 3.7 | 210 | 230 | 250 | 4500 | 800 | 0.9 | 84 | 72 | LJ1 | G3/8 | 
| 4.2 | 210 | 230 | 250 | 4000 | 800 | 0.93 | 86 | 74 | LJ1 | G3/8 | 
| 4.8 | 190 | 210 | 230 | 3500 | 600 | 0.95 | 88 | 76 | LJ1 | G3/8 | 
| 5.8 | 190 | 210 | 230 | 3000 | 600 | 1.02 | 92 | 80 | LJ1 | G3/8 | 
| 7 | 160 | 180 | 200 | 2500 | 600 | 1.07 | 96 | 84 | LJ1 | G3/8 | 
| 8 | 160 | 180 | 200 | 2100 | 600 | 1.13 | 100 | 88 | LJ1 | G3/8 | 
| Производительность | Макс.давление | Макс.скорость | Мин.скорость | Вес | Размеры | Код масляного порта | Входное отверстие | Выходное отверстие | ||||
| P1 | P2 | P3 | M | N | L | |||||||
| (см3/об.) | бар | бар | бар | (об/мин) | (об/мин) | кг | мм | мм | мм | D | d | |
| 0.8 | 230 | 250 | 270 | 6000 | 1000 | 0.76 | 73.5 | 61.5 | 32.8 | L2 | G3/8 | G1/4 | 
| 1.1 | 230 | 250 | 270 | 6000 | 1000 | 0.77 | 74 | 62 | 33 | L2 | G3/8 | G1/4 | 
| 1.3 | 230 | 250 | 270 | 6000 | 1000 | 0.78 | 75 | 63 | 33.5 | L2 | G3/8 | G1/4 | 
| 1.6 | 230 | 250 | 270 | 6000 | 1000 | 0.79 | 76 | 64 | 34 | L2 | G3/8 | G1/4 | 
| 1.8 | 230 | 250 | 270 | 6000 | 1000 | 0.81 | 77 | 65 | 34.5 | L2 | G3/8 | G1/4 | 
| 2.1 | 230 | 250 | 270 | 6000 | 1000 | 0.82 | 78 | 66 | 35 | L2 | G3/8 | G1/4 | 
| 2.7 | 230 | 250 | 270 | 6000 | 800 | 0.85 | 80 | 68 | 36 | L2 | G3/8 | G1/4 | 
| 3.2 | 210 | 230 | 250 | 5000 | 800 | 0.87 | 82 | 70 | 37 | L2 | G3/8 | G1/4 | 
| 3.7 | 210 | 230 | 250 | 4500 | 800 | 0.9 | 84 | 72 | 38 | L2 | G3/8 | G1/4 | 
| 4.2 | 210 | 230 | 250 | 4000 | 800 | 0.93 | 86 | 74 | 39 | L2 | G3/8 | G1/4 | 
| 4.8 | 190 | 210 | 230 | 3500 | 600 | 0.95 | 88 | 76 | 40 | L2 | G3/8 | G1/4 | 
| 5.8 | 190 | 210 | 230 | 3000 | 600 | 0.02 | 92 | 80 | 42 | L2 | G3/8 | G1/4 | 
| 7 | 160 | 180 | 200 | 2500 | 600 | 1.07 | 96 | 84 | 44 | L2 | G3/8 | G1/4 | 
| 8 | 160 | 180 | 200 | 2100 | 600 | 1.13 | 100 | 88 | 46 | L2 | G3/8 | G1/4 | 
| Производитльность | Максимальное давление | Макс.скорость | Мин.скорость | Вес | Размеры | Код масляного порта | Входное отверстие | Выходное отверстие | ||||
| P1 | P2 | P3 | M | N | L | |||||||
| (см3/об.) | бар | бар | бар | (об/мин) | (об/мин) | кг | мм | мм | мм | D | d | |
| 0.8 | 230 | 250 | 270 | 6000 | 1000 | 0.76 | 73.5 | 61.5 | 32.8 | L3 | G3/8 | G3/8 | 
| 1.1 | 230 | 250 | 270 | 6000 | 1000 | 0.77 | 74 | 62 | 33 | L3 | G3/8 | G3/8 | 
| 1.3 | 230 | 250 | 270 | 6000 | 1000 | 0.78 | 75 | 63 | 33.5 | L3 | G3/8 | G3/8 | 
| 1.6 | 230 | 250 | 270 | 6000 | 1000 | 0.79 | 76 | 64 | 34 | L3 | G3/8 | G3/8 | 
| 1.8 | 230 | 250 | 270 | 6000 | 1000 | 0.81 | 77 | 65 | 34.5 | L3 | G3/8 | G3/8 | 
| 2.1 | 230 | 250 | 270 | 6000 | 1000 | 0.82 | 78 | 66 | 35 | L3 | G3/8 | G3/8 | 
| 2.7 | 230 | 250 | 270 | 6000 | 800 | 0.85 | 80 | 68 | 36 | L3 | G3/8 | G3/8 | 
| 3.2 | 210 | 230 | 250 | 5000 | 800 | 0.87 | 82 | 70 | 37 | L3 | G3/8 | G3/8 | 
| 3.7 | 210 | 230 | 250 | 4500 | 800 | 0.9 | 84 | 72 | 38 | L3 | G3/8 | G3/8 | 
| 4.2 | 210 | 230 | 250 | 4000 | 800 | 0.93 | 86 | 74 | 39 | L3 | G3/8 | G3/8 | 
| 4.8 | 190 | 210 | 230 | 3500 | 600 | 0.95 | 88 | 76 | 40 | L3 | G3/8 | G3/8 | 
| 5.8 | 190 | 210 | 230 | 3000 | 600 | 1.02 | 92 | 80 | 42 | L3 | G3/8 | G3/8 | 
| 7 | 160 | 180 | 200 | 2500 | 600 | 1.07 | 96 | 84 | 44 | L3 | G3/8 | G3/8 | 
| 8 | 160 | 180 | 200 | 2100 | 600 | 1.13 | 100 | 88 | 46 | L3 | G3/8 | G3/8 | 
| Производитльность | Максимальное давление | Мак. скорость | Мин. скорость | Вес | Размеры | Код масляного порта | Входное отверстие | Выходное отверстие | |||||||
| P1 | P2 | P3 | M | L | B | D | H | b | d | h | |||||
| (см3/об.) | бар | бар | бар | (об/мин) | (об/мин) | кг | мм | мм | мм | мм | мм | мм | |||
| 0.8 | 230 | 250 | 270 | 6000 | 1000 | 0.86 | 74.5 | 33.8 | E0 | 30 | 12 | M6 | 30 | 12 | M6 | 
| 1.1 | 230 | 250 | 270 | 6000 | 1000 | 0.88 | 75 | 34 | E0 | 30 | 12 | M6 | 30 | 12 | M6 | 
| 1.3 | 230 | 250 | 270 | 6000 | 1000 | 0.90 | 76 | 34.5 | E0 | 30 | 12 | M6 | 30 | 12 | M6 | 
| 1.6 | 230 | 250 | 270 | 6000 | 1000 | 0.92 | 77 | 35 | E0 | 30 | 12 | M6 | 30 | 12 | M6 | 
| 1.8 | 230 | 250 | 270 | 6000 | 1000 | 0.94 | 78 | 35.5 | E0 | 30 | 12 | M6 | 30 | 12 | M6 | 
| 2.1 | 230 | 250 | 270 | 6000 | 1000 | 0.96 | 79 | 36 | E0 | 30 | 12 | M6 | 30 | 12 | M6 | 
| 2.7 | 230 | 250 | 270 | 6000 | 800 | 0.988 | 81 | 37 | E0 | 30 | 12 | M6 | 30 | 12 | M6 | 
| 3.2 | 210 | 230 | 250 | 5000 | 800 | 1.016 | 83 | 38 | E0 | 30 | 12 | M6 | 30 | 12 | M6 | 
| 3.7 | 210 | 230 | 250 | 4500 | 800 | 1.044 | 85 | 39 | E0 | 30 | 12 | M6 | 30 | 12 | M6 | 
| 4.2 | 210 | 230 | 250 | 4000 | 800 | 1.072 | 87 | 40 | E0 | 30 | 12 | M6 | 30 | 12 | M6 | 
| 4.8 | 190 | 210 | 230 | 3500 | 600 | 1.1 | 89 | 41 | E0 | 30 | 12 | M6 | 30 | 12 | M6 | 
| 5.8 | 190 | 210 | 230 | 3000 | 600 | 1.156 | 93 | 43 | E0 | 30 | 12 | M6 | 30 | 12 | M6 | 
| 7.0 | 160 | 180 | 200 | 2500 | 600 | 1.212 | 97 | 45 | E0 | 30 | 12 | M6 | 30 | 12 | M6 | 
| 8.0 | 160 | 180 | 200 | 2100 | 600 | 1.268 | 101 | 47 | E0 | 30 | 12 | M6 | 30 | 12 | M6 | 
| Производительность | Макс.давление | Макс.скорость | Мин.скорость | Вес | Размеры | Код масляного порта | Входное отверстие | Выходное отверстие | |||||||
| P1 | P2 | P3 | M | L | B | D | H | b | d | h | |||||
| (см3/об.) | бар бар | бар | (об/мин) | (об/мин) | Кг | мм | мм | мм | мм | мм | мм | ||||
| 0.8 | 230 | 250 | 270 | 6000 | 1000 | 0.86 | 83.5 | 33.8 | E0 | 30 | 12 | M6 | 30 | 12 | M6 | 
| 1.1 | 230 | 250 | 270 | 6000 | 1000 | 0.88 | 84 | 34 | E0 | 30 | 12 | M6 | 30 | 12 | M6 | 
| 1.3 | 230 | 250 | 270 | 6000 | 1000 | 0.90 | 85 | 34.5 | E0 | 30 | 12 | M6 | 30 | 12 | M6 | 
| 1.6 | 230 | 250 | 270 | 6000 | 1000 | 0.92 | 86 | 35 | E0 | 30 | 12 | M6 | 30 | 12 | M6 | 
| 1.8 | 230 | 250 | 270 | 6000 | 1000 | 0.94 | 87 | 35.5 | E0 | 30 | 12 | M6 | 30 | 12 | M6 | 
| 2.1 | 230 | 250 | 270 | 6000 | 1000 | 0.96 | 88 | 36 | E0 | 30 | 12 | M6 | 30 | 12 | M6 | 
| 2.7 | 230 | 250 | 270 | 6000 | 800 | 0.988 | 90 | 37 | E0 | 30 | 12 | M6 | 30 | 12 | M6 | 
| 3.2 | 210 | 230 | 250 | 5000 | 800 | 1.016 | 92 | 38 | E0 | 30 | 12 | M6 | 30 | 12 | M6 | 
| 3.7 | 210 | 230 | 250 | 4500 | 800 | 1.044 | 94 | 39 | E0 | 30 | 12 | M6 | 30 | 12 | M6 | 
| 4.2 | 210 | 230 | 250 | 4000 | 800 | 1.072 | 96 | 40 | E0 | 30 | 12 | M6 | 30 | 12 | M6 | 
| 4.8 | 190 | 210 | 230 | 3500 | 600 | 1.1 | 98 | 41 | E0 | 30 | 12 | M6 | 30 | 12 | M6 | 
| 5.8 | 190 | 210 | 230 | 3000 | 600 | 1.156 | 102 | 43 | E0 | 30 | 12 | M6 | 30 | 12 | M6 | 
| 7.0 | 160 | 180 | 200 | 2500 | 600 | 1.212 | 106 | 45 | E0 | 30 | 12 | M6 | 30 | 12 | M6 | 
| 8.0 | 160 | 180 | 200 | 2100 | 600 | 1.268 | 110 | 47 | E0 | 30 | 12 | M6 | 30 | 12 | M6 | 
-  Дата: 28-31 Мая 2024Адрес: Крокус Экспо, МоскваНомер стенда: HALL8 8-910Представленный продукт: Гидравлический шестеренный насос
Схожая продукция
                                    Обратная связь
                                    
                                    
                                Другие продукты
                                    
                                                            Новинки
                         Серия STPHT  Климатическая камера для высокотемпературных испытаний (сверхвысокие температуры)
                                                                                    testchamber-ru.com
                                                                                    
                                        Серия STPHT  Климатическая камера для высокотемпературных испытаний (сверхвысокие температуры)
                                                                                    testchamber-ru.com
                                                                            Подробнее
                                                                                                                                                                                                                                                                                                                                                                            
                                                                                                                                
                                                                                                                                
                                                                                                                                
                                                                                                                                
                                                                                                                                
                                                                                    Другие продукты
                        видео
                            
                                            
 
                                                 
                                                 
                                                
 
                                                                                                             
                                                                                                             
                                                                                                             
                                                                                                             
                                                                                                     
                                                                                                     
                                                                                                     
                                                                                                     
                                                                                     
                                                                                     
                                                                                     
                                                                                     
                                                                                     
                                                                                     
                                                                                     
                                                                                     
                                                                                     
                                                                             
                                                                             
                                                                             
                                                                             
                                                                             
                                            
                                         
                                            
                                         
                                            
                                         
                                            
                                         
                                            
                                        