Пневматические ткацкие станки
Высокоэффективный энергосберегающий певматический ткацкий станок RFJA30 подходит для производства тканей, домашнего текстиля, крашенных тканей и некоторых тканей из химических нитей, номера нитей 5-100. Вес ткани приблизительно 40-400 грамм/м2.
Ширина берда (см)
Номинальная ширина берда: 150, 170, 190, 210, 230, 260, 280, 340, 360см
Рабочая ширина берда: 0~60см, вычитывается от номинальной ширины берда (150~260см); 0~80см, вычитывается от номинальной ширины берда (более 280см)
Производительность
Штапельная пряжа: Ne100~Ne2.5
Комплексная нить: 22 дтекс ~1350 дтекс
Выбор уточной пряжи: 2, 4, 6 цветов с функцией непрерывного расширения
1. Высокая скорость и низкий уровень вибраций – отличительные характеристики
Пневматический ткацкий станок характеризуется рационально разработанным дизайном, значительно сокращающим уровень вибраций и шума. Основа пропускает металлическое галево через глазок галева нитяной ремизки к опушке через верхнюю поверхность скала. Отрегулированная стабильность системы прибоя уточной нити.
2. Новая станина, высокий уровень применимости
1) Благодаря использованию жесткой станины, передача навоя имеет большой диаметр, механизм подачи основы приводится в движение главным валом и подключен к смзочному маслу. Пневматический ткацкий станок осуществляет улучшенное высокоскорсотное производство, является более чувствительным и отвечает требованиям к плетению тканей различных плотноестей.
2) Соединение станины и навоя рационально продумано – благодаря этому улучшены характеристики по уровню вибраций и надежности всей машины. Таким образом гарантируются высокая скорость и низкий уровень шума во время работы станка.
3. Быстрая замена ткацкого навоя и намоточного устройства для ткани
Пневматический ткацкий станок может быть оснащен системой быстрой замены навоя для сокращения времени замены и повышения эффективности плетения.
4. Направляющий валик
1) Электронная система конртроля имеет предварительно сохраненные внутренние параметры настройки под несколько тканей. Данные настройки позволяют автоматически выполнять загрузку и работу, поэтому различные проекты осуществляются просто.
2) Данная система осуществляет добавление, модифицирование и хранение настроек, поэтому настройки являются более подходящими реальным условиям эксплуатации, что успели оценить множество клиентов.
5. Централизованное создание сети
Пневматический ткацкий станок характеристизуется превосходным созданием сети – осуществлением онлайн-мониторинга условий работы, эффективности и выхода, а также других параметров.
6. Механизм наматывания
1) Механизм наматывания – электронный механизм, который может быть скомбинирован с электронной системой подачи основы. Также предотвращает образование подплетин, вызваемое остановкой машины путем поворота задним ходом двигателя.
2) Благодаря использованию контролируемого сервопривода переменного тока, двигатель достигает синхронное прядение и контролирует плотность прибоя уточной нити.
7. Система принудительной подачи основы
1) Для того, чтобы сделать станок более пригодным высокоскоростному плетению, механизм подачи основы установлен на внешней стороне станка. Регулировка эксцентриковой передачи механизма подачи основы осуществляется достаточно легко.
2) Для системы подачи основы используется стандартное двойное скало, что гарантирует поддержание натяжения основы постоянным во время замены от полного навоя к пустому. Благодаря этому ткацкий станок подходит для плетения различных тяжелых и легких тканей.
8. Манёвренность
Игла сокращает высоту станины без изменения производительности по упаковке, делая ее более удобной для использования операторов.
9. Контроль частоты
Благодаря использованию преобразователя частоты ткацкий станок способен работать с требуемой скоростью без необходимости заменять шкиф, когда требуется понижение скорости.
10. Стабильная опушка ткани
Данный пневматический ткацкий станок использует наклонно установленную верхнюю шпарутку с большим углом наклона и направляющим валиком, расположенным рядом с опушкой ткани, благодаря чему ткани имеют отличные характеристики.
| Наименование | Спецификация |
| Механизм питания | Электромагнитный тормоз |
| Пусковой двигатель: 2.2кВт (зевообразовательный механизм с заводной ручкой), 3.0 кВт (зевообразовательный механизм), 3.7 кВт (зевообразование кареткой), 6.5 кВт (жаккардовый зевообразовательный механизм). | |
| Двойное ручное управление с кнопочным переключателем | |
| Механизм прокладки уточной нити | Макс.скорость прокладки уточной нити: 2300 м/мин |
| Комбинация главной и дополнительной насадок (расширительная насадка на выбор) | |
| Профильное бердо (тормоз с антиблокировочной системой - опционально) | |
| Вспомогательные главные насадки | |
| Зевообразовательный механизм | Зевообразование кривошипным соединением: 4 или 6 ремизных рамок |
| Принудительный зевообразовательный механизм (с зависимым движением ремиз): макс. 8 ремизных рамок | |
| Зевообразование кареткой: макс.16 ремизных рамок | |
| Жаккардовый зевообразовательный механизм | |
| Механизм подачи основы | Принудительная или основная подача |
| Электронная подача с двумя валиками и функцией автоматического обратного движения (двойной навой – опционально) | |
| Диаметр фланца навоя: φ800мм (опционально - φ914мм, φ1000мм) | |
| Механизм наматывания | Электронное наматывание |
| Стандартная плотность: 25~300 уток/дюйм, коэффициент уплотнения: 15~300 уток/дюйм | |
| Макс.диаметр валика для ткани: φ600мм (зевообразование: с зависимым движением ремиз, кареткой, жаккардовое), φ520мм (кривошипный зевообразовательный механизм) | |
| Механизм прибоя | Прибой кривошипного типа, прибой несколькими лопастями батана |
| Кулиса с четырьмя направляющими (при узкой ширине берда), кулиса с шестью направляющими (при широкой ширине берда) | |
| Аккумулятор | Сумматор (FDP) (вибраторный аккумулятор - опционально) |
| Конструкция подачи нити | 4 напольных конусных бобин для пряжи (2 спрея), 8 напольных конусных бобин для пряжи (4 спрея) |
| Кромкообразующий механизм | Кромкообразующий механизм с планетарной передачей |
| Конечная обработка пряжи | Обраты собираются двумя конусными бобинами или передачей. |
| Ножик для уточной пряжи | Механический ножик |
| Смазка | Смазка масляной ванной для главного привода и ручная централизованная подача масла (автоматическая централизованная подача масла – опционально) |
| Тормозное устройство | Устройство остановки утка: фотоэлектрическое уточное щупло с двойным зондом |
| Устройство остановки основы: 6 рядов ремизных металлических галев типа точечных электрических контактов | |
| Доступны другие тормозные механизмы, останавливающие работу ткацкого станка при разрыве кромки | |
| Дисплей остановки станка: при остановке станка загорается 4-х цветный светодиодный дисплей. Причина остановки отображается на панели управления. | |
| Автоматические функции | Управление: мультифункциональная микрокомпьютерная система контроля, имеющая функции настройки параметров, контроля, мониторинга, самодиагностики, а также умный интерфейс. |
| Устройсто для обнаружения оборванной уточной пряжи: автоматический разоискатель | |
| Медленное перемещение, осуществляемое частотным преобразователем (нормальный и обратный медленный поворот) | |
| Другие: терминал вывода монитора | |
| Карта памяти | |
| Автоматический контроль напыления |
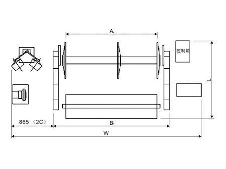
| Диаметр фланца | Φ800 |
| L | 1958 |
Примечания:
1. L – габариты фланца Φ800. Для уточнения прочих детальных размеров, пожалуйста, свяжитесь с нами.
2. Когда диаметр фланца Φ914 или Φ1000, L – имеет такие же данные, как указано в таблице.
| Номинальная ширина берда (дюйм) | 150 (60) | 170 (67) | 190 (75) | 210 (83) | 230 (91) | 260 (102) | 280 (110) | 340 (134) | 360 (142) | |
| W (2C) | Зевообразование кривошипным соединением | 3550 | 3750 | 3950 | 4150 | 4350 | / | / | / | / |
| Принудительный зевообразовательный механизм | 3920 | 4120 | 4320 | 4520 | 4720 | 5020 | 5220 | 5820 | 6020 | |
| Принудительное зевообразование кареткой | 4025 | 4225 | 4425 | 4625 | 4825 | 5125 | 5325 | 5925 | 6125 | |
| A | 1500 | 1700 | 1900 | 2100 | 2300 | 2600 | 2800 | 3400 | 3600 | |
| B | 2110 | 2310 | 2510 | 2710 | 2910 | 3210 | 3410 | 4010 | 4210 | |
Примечание: W – размеры двух спреев. Для уточнения прочих детальных размеров и спецификаций, пожалуйста, свяжитесь с нами.