Тройники и Y-образные быстроразъемные фитинги
Запрос цены
Пневматические быстроразъемные фитинги Быстроразъемные фитинги с регулировкой потока, также известные как угловые фитинги с регулировкой расхода, предназначены для точной настройки расхода воздуха в пневматических трубках и шлангах.
Тройники и Y-образные фитинги представляют собой высокоэффективные и надежные соединительные элементы для пневматических трубопроводов. Они позволяют регулировать поток воздуха с высокой точностью, исключая ручной метод проб и ошибок, характерный для обычных клапанов регулирования потока.Благодаря специальному кольцу с делениями, обеспечивается точная настройка потока до 0,1 л/мин с повторяемостью позиционирования ±2%. Полная кастомизация возможна по материалам, типам портов, параметрам производительности, функциональным дополнениям, внешнему виду и маркировке для точного соответствия вашим требованиям.
Преимущества
- Компактный корпус фитингов экономит место при установке
- Регулировочный винт на верхней части обеспечивает простую ручную настройку
- Монтажные отверстия поддерживают скользящую установку
- Механизм самоблокировки предотвращает случайное отключение
- Прочный пластиковый корпус с высокой ударной стойкостью
- Совместим с широким спектром пневматических трубопроводных систем
- Разнообразие моделей фитингов для разных нужд
- Возможность регулировки направления труб даже после установки
- Металлический никелированный корпус обеспечивает высокую коррозионную и загрязнительную стойкость
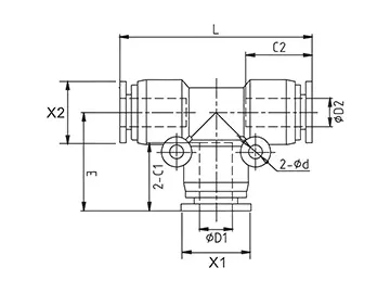
Конструкция фитинга
- Резьба
- Корпус (латунь)
- Уплотнительное кольцо (NBR)
- Корпус (PBT)
- V-уплотнение (NBR)
- Заднее кольцо (POM)
- Защёлка (SUS)
- Воротник (латунь)
- Разъёмная муфта (POM)
- Труба
Характеристики
| Модель | ØD | Ød | A | B(мин.) | B(макс.) | E | C | X |
| | 5/32 | 3.2 | 13.7 | 25.7 | 28.7 | 39.5 | 14.4 | 9.9 |
| | 1/4 | 4.3 | 19.5 | 38.3 | 45.3 | 47.1 | 15.5 | 11.9 |
| | 5/16 | 4.3 | 21.5 | 41.4 | 48.5 | 52 | 16.8 | 13.9 |
| | 3/8 | 4.3 | 25.5 | 46.3 | 53.5 | 62.3 | 19.5 | 16.9 |
| | 1/2 | 4.3 | 31.7 | 49.3 | 55.5 | 73.6 | 22.3 | 19.9 |

