Тандемные насосы
Запрос цены
                                    
                                                                                                    
                                                                
                                 Техническая информация 
- Рабочий объем: 3~71 см3/об.
- Направление вращения: по часовой стрелке (D), против часовой стрелки (S), реверсивное (R)
- Минимальная скорость: 600 об/мин/мин
- Максимальная скорость: 2500 об/мин/мин
- Пиковое давление: 170~285 бар
Правила заказа тандемного шестеренчатого насоса 3/3
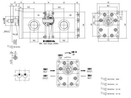
 Стандартные размеры тандемного шестеренчатого насоса 3/3
 | Производительность | Макс. давление | Максимальная скорость | Минимальная скорость | Размеры | Код маслянного порта | Входное отверстие | Выходное отверстие | Код маслянного порта | Входное отверстие | Выходное отверстие | |||
| PA | PB | PA | PB | LA | LB | PA | D | d | PB | D | d | ||
| ( см3/об.) | ( см3/об.) | бар | бар | (об/мин) | (об/мин) | мм | мм | ||||||
| 20 | 20 | 250 | 250 | 2500 | 600 | 81.1 | 81.1 | L0 | G3/4 | G3/4 | L0 | G3/4 | G3/4 | 
| 22 | 22 | 250 | 250 | 83.1 | 83.1 | L0 | G3/4 | G3/4 | L0 | G3/4 | G3/4 | ||
| 26 | 26 | 250 | 250 | 86.1 | 86.1 | L1 | G1 | G3/4 | L1 | G1 | G3/4 | ||
| 33 | 33 | 230 | 230 | 92.1 | 92.1 | L1 | G1 | G3/4 | L1 | G1 | G3/4 | ||
| 39 | 39 | 230 | 230 | 99.1 | 99.1 | L1 | G1 | G3/4 | L1 | G1 | G3/4 | ||
| 46 | 46 | 230 | 230 | 105.1 | 105.1 | L2 | G11/4 | G1 | L2 | G11/4 | G1 | ||
| 50 | 50 | 220 | 220 | 109.1 | 109.1 | L2 | G11/4 | G1 | L2 | G11/4 | G1 | ||
| 52 | 52 | 220 | 220 | 111.1 | 111.1 | L2 | G11/4 | G1 | L2 | G11/4 | G1 | ||
| 55 | 55 | 200 | 200 | 113.1 | 113.1 | L2 | G11/4 | G1 | L2 | G11/4 | G1 | ||
| 63 | 63 | 200 | 200 | 121.1 | 121.1 | L2 | G11/4 | G1 | L2 | G11/4 | G1 | ||
| 71 | 71 | 180 | 180 | 128.1 | 128.1 | L3 | G11/2 | G11/4 | L3 | G11/2 | G11/4 | ||
| Производительность | Макс. давление | Максимальная скорость | Минимальная скорость | Размеры | Код маслянного порта | Входное отверстие | Выходное отверстие | Код маслянного порта | Входное отверстие | Выходное отверстие | |||
| PA | PB | PA | PB | LA | LB | PA | D | d | PB | D | d | ||
| ( см3/об.) | ( см3/об.) | бар | бар | (об/мин) | (об/мин) | мм | мм | ||||||
| 20 | 20 | 250 | 250 | 2500 | 600 | 81.1 | 81.1 | L0 | G3/4 | G3/4 | L0 | G3/4 | G3/4 | 
| 22 | 22 | 250 | 250 | 83.1 | 83.1 | L0 | G3/4 | G3/4 | L0 | G3/4 | G3/4 | ||
| 26 | 26 | 250 | 250 | 86.1 | 86.1 | L1 | G1 | G3/4 | L1 | G1 | G3/4 | ||
| 33 | 33 | 230 | 230 | 92.1 | 92.1 | L1 | G1 | G3/4 | L1 | G1 | G3/4 | ||
| 39 | 39 | 230 | 230 | 99.1 | 99.1 | L1 | G1 | G3/4 | L1 | G1 | G3/4 | ||
| 46 | 46 | 230 | 230 | 105.1 | 105.1 | L2 | G11/4 | G1 | L2 | G11/4 | G1 | ||
| 50 | 50 | 220 | 220 | 109.1 | 109.1 | L2 | G11/4 | G1 | L2 | G11/4 | G1 | ||
| 52 | 52 | 220 | 220 | 111.1 | 111.1 | L2 | G11/4 | G1 | L2 | G11/4 | G1 | ||
| 55 | 55 | 200 | 200 | 113.1 | 113.1 | L2 | G11/4 | G1 | L2 | G11/4 | G1 | ||
| 63 | 63 | 200 | 200 | 121.1 | 121.1 | L2 | G11/4 | G1 | L2 | G11/4 | G1 | ||
| 71 | 71 | 180 | 180 | 128.1 | 128.1 | L3 | G11/2 | G11/4 | L3 | G11/2 | G11/4 | ||
-  Дата: 28-31 Мая 2024Адрес: Крокус Экспо, МоскваНомер стенда: HALL8 8-910Представленный продукт: Гидравлический шестеренный насос
Схожая продукция
                                    
                                                                
                                Обратная связь
                                    
                                    
                                Другие продукты
                                    
                                                            Новинки
                        Подробнее
                                                                                                                                                                                                                                                                                                                                                                            
                                                                                                                                
                                                                                                                                
                                                                                                                                
                                                                                                                                
                                                                                                                                
                                                                                    Другие продукты
                        видео
                            
                                            
 
                                                 
                                                 
                                                
 
                                                                                                             
                                                                                                             
                                                                                                             
                                                                                                             
                                                                                                     
                                                                                                     
                                                                                     
                                                                                     
                                                                                     
                                                                                     
                                                                                     
                                                                                     
                                                                                     
                                                                                     
                                                                                     
                                                                                     
                                                                             
                                                                             
                                                                             
                                                                             
                                                                             
                                            
                                         
                                            
                                         
                                            
                                         
                                            
                                         
                                            
                                        