серии HGP Одиночный шестеренный насос с внешним зацеплением
Запрос цены
- Детали сальниковых уплотнений Viton, встроенные в наш шестеренчатый насос, с легкостью выдерживают воздействие высоких температур.
- Насос оборудован специальными безмасляными подшипниками, предназначенными для работы при высоких давлениях.
- Поддерживает положительное вращение и реверс.
HGP-1A: Технические характеристики
| Модель | Рабочий объем (куб.см/об) | Рабочее давление (бар) | Скорость вращения (об/мин) | Вес (кг) | |||
| Номинальное | Макс. | Номинальное | Мин. | Макс. | |||
| | 1 | 210 | 250 | 1800 | 1000 | 4500 | 1 |
| | 2 | 210 | 250 | 1800 | 600 | 4500 | 1.05 |
| | 3 | 210 | 250 | 1800 | 600 | 4500 | 1.15 |
| | 4 | 210 | 250 | 1800 | 600 | 4500 | 1.18 |
| | 5 | 210 | 250 | 1800 | 600 | 3200 | 1.2 |
| | 6 | 210 | 250 | 1800 | 600 | 3200 | 1.3 |
| | 7.8 | 175 | 210 | 1800 | 600 | 3200 | 1.4 |
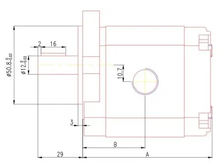
Размеры
| Модель | A (мм) | B (мм) | Впускное отверстие (всасывающий патрубок) | Выпускное отверстие (напорный патрубок) |
| | 69.5 | 33.5 | 3/8''PT | 3/8''PT |
| | 72 | 34.8 | 3/8''PT | 3/8''PT |
| | 77.5 | 37.5 | 3/8''PT | 3/8''PT |
| | 79.5 | 38.5 | 3/8''PT | 3/8''PT |
| | 83.5 | 40.5 | 3/8''PT | 3/8''PT |
| | 87.5 | 42.5 | 3/8''PT | 3/8''PT |
| | 93.5 | 45.5 | 1/2''PT | 3/8''PT |
Коды моделей
| Название модели | |
| Тип крепления | L: крепление на опорную лапу F: фланцевое крепление |
| Рабочий объем (куб.см/об) | 1: 1 2: 2 3: 3 4: 4 5: 5 6: 6 8: 8 |
| Направление вращения | R: по часовой L: против часовой |
| Тип приводного вала | X: вал с параллельным шпоном Y: зубчатый вал |
| Тип фланца | 2B: SAE 2х болтовой 4BD: DIN 4х болтовой 4DE: Европейский, 4х болтовой |
HGP-2A: Технические характеристики
| Модель | Рабочий объем (куб.см/об) | Рабочее давление (бар) | Скорость вращения (об/мин) | Вес (кг) | |||
| Номинальное | Макс. | Номинальное | Мин. | Макс. | |||
| | 2 | 210 | 250 | 1800 | 900 | 5000 | 1.69 |
| | 3 | 210 | 250 | 1800 | 850 | 5000 | 1.7 |
| | 4 | 210 | 250 | 1800 | 800 | 4500 | 1.71 |
| | 5 | 210 | 250 | 1800 | 700 | 3500 | 1.71 |
| | 6 | 210 | 250 | 1800 | 700 | 3500 | 1.72 |
| | 7.5 | 210 | 250 | 1800 | 600 | 3000 | 1.74 |
| | 9 | 210 | 250 | 1800 | 550 | 2500 | 1.74 |
| | 10.5 | 210 | 250 | 1800 | 500 | 2000 | 1.74 |
| | 12 | 175 | 210 | 1800 | 500 | 2000 | 1.76 |
Коды моделей
| Название модели | |
| Тип крепления | L: крепление на опорную лапу F: фланцевое крепление |
| Рабочий объем (куб.см/об) | 2: 2 3: 3 4: 4 5: 5 6: 6 8: 8 9: 9 11: 11 12: 12 |
| Направление вращения | R: по часовой L: против часовой |
| Тип приводного вала | X: вал с параллельным шпоном Y: зубчатый вал |
| Тип фланца | 4BJ: JIS 4х болтовой |
HGP-3A: Технические характеристики
| Модель | Рабочий объем (куб.см/об) | Рабочее давление (бар) | Скорость вращения (об/мин) | Вес (кг) | |||
| Номинальное | Макс. | Номинальное | Мин. | Макс. | |||
| | 6 | 210 | 250 | 1800 | 700 | 3000 | 2.32 |
| | 8 | 210 | 250 | 1800 | 700 | 3000 | 2.4 |
| | 11 | 210 | 250 | 1800 | 600 | 3000 | 2.53 |
| | 13 | 210 | 250 | 1800 | 600 | 3000 | 2.6 |
| | 14.3 | 210 | 250 | 1800 | 500 | 3000 | 2.69 |
| | 16.5 | 210 | 250 | 1800 | 500 | 3000 | 2.81 |
| | 19.2 | 210 | 250 | 1800 | 500 | 3000 | 2.92 |
| | 23 | 210 | 250 | 1800 | 500 | 3000 | 3.11 |
| | 25 | 175 | 210 | 1800 | 500 | 3000 | 3.2 |
| | 28 | 175 | 210 | 1800 | 500 | 3000 | 3.29 |
| | 30 | 175 | 210 | 1800 | 500 | 3000 | 3.38 |
Размеры
| Модель | A (мм) | B (мм) | Впускное отверстие (всасывающий патрубок) | Выпускное отверстие (напорный патрубок) |
| | 97.4 | 46.7 | 3/4''PT | 1/2''PT |
| | 99 | 47.5 | 3/4''PT | 1/2''PT |
| | 101 | 48.5 | 3/4''PT | 1/2''PT |
| | 105 | 50 | 3/4''PT | 1/2''PT |
| | 109 | 51.5 | 3/4''PT | 1/2''PT |
| | 113 | 54 | 3/4''PT | 1/2''PT |
| | 117 | 56 | 3/4''PT | 1/2''PT |
| | 123 | 59 | 3/4''PT | 1/2''PT |
| | 127 | 61 | 3/4''PT | 1/2''PT |
| | 134 | 65 | 3/4''PT | 1/2''PT |
| | 137 | 66 | 1''PT | 3/4''PT |
| | 141 | 68 | 1''PT | 3/4''PT |
| | 145 | 70 | 1''PT | 3/4''PT |
Коды моделей
| Название модели | |
| Тип крепления | L: крепление на опорную лапу F: фланцевое крепление |
| Рабочий объем (куб.см/об) | 6: 6 8: 8 11: 11 13: 13 14: 14 17: 17 19: 19 23: 23 25: 25 28: 28 30: 30 |
| Направление вращения | R: по часовой L: против часовой |
| Тип приводного вала | X: вал с параллельным шпоном Y: зубчатый вал |
| Тип фланца | SAE 2х болтовой |
Отправьте нам свой запрос
Сопутствующие товары
Другие гидравлические компоненты
Схожая продукция
Обратная связь
Другие продукты
Новинки
Подробнее
Другие продукты
видео

