Электрическая подъемная колонна
Запрос цены
Подъёмная колонна оснащена технологией электрического линейного привода. Она преобразует вращательное движение мотора в линейное с помощью механической конструкции. Это решение широко применяется в различных подъёмных платформах и электрических больничных кроватях в медицинской сфере, а также в шкафах и платформах для умного дома. Колонна отличается плавной работой и простотой установки, что снижает эксплуатационные расходы. Благодаря тихой и плавной работе, она обеспечивает точную регулировку высоты, значительно повышая комфорт и эффективность рабочей среды. К тому же, защита от пыли и воды позволяет подъёмной колонне адаптироваться к разнообразным рабочим условиям.
- Подъемная колонна YXN018
- Электрическая подъемная колонна YXN018B
- Электрическая подъемная колонна YXN018C
Подъемная колонна YXN018
Технические характеристики
| Входное напряжение | 12В/24В (постоянный ток) |
| Максимальная нагрузка | 6000N |
| Скорость без нагрузки | 4-30мм/сек |
| Ход | Индивидуально настроенный |
| Рабочий цикл | 10%, 2 минуты включено / 18 минут выключено |
| Температура окружающей среды | -15℃-45℃ Возможна индивидуальная настройка температуры под конкретные требования. |
| Класс защиты | IP20 |
| Датчик хода | Встроен |
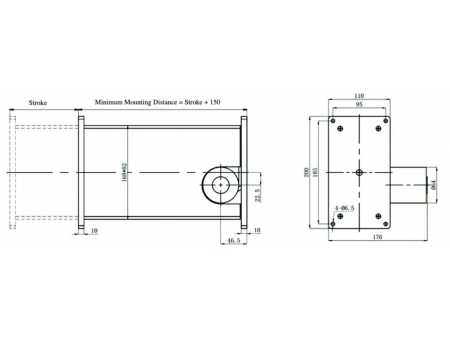
Размеры
▴Встроенный датчик Холла/Без датчика Холла
Электрическая подъемная колонна YXN018B
Технические характеристики
| Входное напряжение | 12В/24В (постоянный ток) |
| Максимальная нагрузка | 2000 N |
| Скорость без нагрузки | 25 мм/сек (750 N), 8 мм/сек (1500Н) |
| Ход | Индивидуально настроенный |
| Рабочий цикл | 10%, 2 минуты включено / 18 минут выключено |
| Температура окружающей среды | -15℃-45℃ (Возможна индивидуальная настройка температуры под конкретные требования.) |
| Класс защиты | IP20 |
| Датчик хода | Встроен |
Размеры
▴Встроенный датчик Холла/Без датчика Холла
Электрическая подъемная колонна YXN018C
Технические характеристики
| Входное напряжение | 12В/24В (постоянный ток) |
| Максимальная нагрузка | 8000 N |
| Скорость без нагрузки | 4-30 мм/сек |
| Ход | Индивидуально настроенный |
| Рабочий цикл | 10%, 2 минуты включено / 18 минут выключено |
| Температура окружающей среды | -15℃-45℃ (Возможна индивидуальная настройка температуры под конкретные требования.) |
| Класс защиты | IP43 |
| Датчик хода | Встроен |
Размер установки
| Ход | S≤130 | S>130 |
| Минимальное монтажное расстояние | 318 | S 188 |
Размеры
Схожая продукция
Обратная связь
Другие продукты
Новинки
Подробнее
Другие продукты
видео

