CV32 Логический регулирующий клапан
Запрос цены
- Разработанный для чувствительных к нагрузке и изменяющихся систем, CV32 обеспечивает точное логическое управление, регулируя динамику жидкости в режиме реального времени в соответствии с эксплуатационными требованиями
- Он легко переключается между регулируемым насосом рулевого управления и стационарным насосом рабочей системы с автоматическим разделением потока для достижения оптимальной эффективности
- Обеспечивает разгрузку стационарных насосов под низким давлением, что значительно снижает энергопотребление при эксплуатации
- Оснащен разгрузочным клапаном высокого давления, повышающим безопасность и эффективность системы за счет эффективного управления пиками давления.
Применение
- Колесные погрузчики
- Экскаваторы
- Бульдозеры
- Погрузочно-разгрузочное оборудование
Технические параметры
| Номинальное давление (МПа) | 31.5 |
| Номинальный расход (л/мин) | 350 (максимальный расход: 400 л/мин) |
| Перепад давления (МПа) | 1.5-2 |
| Гидравлическое масло | Минеральное масло (HL, HLP) в соответствии с DIN 51 524 |
| Диапазон температур жидкости (℃) | -20~100 |
| Диапазон вязкости (мм2/с) | 10~380 |
| Чистота жидкости | Не ниже GB/T 14039-93 уровня 19/16 или NAS 1638 уровня 10 |
| Вес(кг) | 18 |
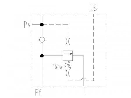
Принципиальная схема гидравлической системы
Размеры внешнего подключения
Профессиональный поставщик, занимающийся исследованиями и разработками, производством и продажей различных гидравлических компонентов
Годовая производственная мощность составляет 250 000 комплектов гидравлических компонентов
Более 30 серий и более 200 разновидностей и спецификаций для удовлетворения конкретных потребностей наших клиентов
Схожая продукция
Обратная связь
Другие продукты
Новинки
Подробнее
Другие продукты
видео

