Однофазное твердотельное реле NNG1D-0/005F-06 DC-DC 1A 2A

Однофазное твердотельное реле NNG1D-0/005F-06 DC-DC 1A 2A
Запрос цены

Однофазное твердотельное реле NNG1D-0/005F-06 DC-DC 1A 2A используется в сфере автоматического управления, например сигнальный свет, сцинтиллятор, система управления освещения, инструменты и аппараты, медицинское оборудование, копировальное устройство, стиральная машина, противопожарное оборудование и система обеспечения безопасности, а так же используется как переключатель в мощном конденсаторе для компенсации фактора мощности сети. В дополнении однофазное реле NNG1D-0/005F-06 DC-DC 1A 2A широко используется в неблагоприятных условиях и в случае частых переключений, например химическая и угольная промышленность, в которых необходимо предотвратить взрыв, обвал, грязь и разрушения.

Объяснение обозначений модели
Характеристики однофазного твердотельного реле NNG1D-0/005F-06 DC-DC 1A 2A
Управляющее напряжение 5V/12V/24V
Управляющий ток 5-20mA
Напряжение включения 3VDC
Напряжение выключения 1VDC
Обратное напряжение 32VDC
Нагрузочное напряжение 22:24-240VAC 38:40-440-VAC
06:12-60VDC
Ток нагрузки 1A,2A
Напряжение переходного процесса 22:220VAC 38:900VAC
06:75VDC 11:150VDC 20:220VDC
Падение напряжения (для перехода во включенное состояние) AC:≤1.6VAC DC:≤1.2VDC
Время включения-отключения AC:≤10mS DC:≤5mS
Ток утечки в закрытом состоянии AC:≤10mA DC:≤5mA
Электрическая прочность диэлектрика ≥1500VAC
Изоляционное сопротивление Тестирование при 500MΩ,500VDC
Температура окружающей среды -30℃~80℃
Вид установки Однорядное прямое подключение
Вес реле ≈12г
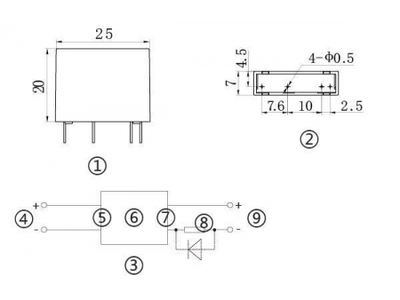
Размер 25×7×20мм
Примечание Необходимость установки устройства рядом с тепловым окном с хорошей вентиляцией
Размер и установка

① Размеры; ② Установочный размер; ③ Схема соединения; ④ Подача управляющего напряжения ⑤ Входное реле ⑥ ТТР ⑦Выходное реле ⑧ Нагрузка ⑨ Подача мощности, поглощаемой в нагрузке.

Схожая продукция
релейный переключатель, электрический выключатель,переключающее устройство

Схожая продукция
Обратная связь
Другие продукты
Новинки
Другие продукты
видео
Отправить сообщение
Отправить сообщение