Миниатюрное электромагнитное реле NNC67E
Запрос цены
Миниатюрное электромагнитное реле NNC67E применяется в схемной плате блока управлением процессора (БУП), промышленной и автоматической системе управления, и так далее.
Особенности
- Высокомощный контакт: 30A 40A
- Миниатюрное электромагнитное реле NNC67E приваривается на плату печатной схемы.
Маркировка
CCC:2011010303478444
CQC:CQC14002106906
CE:5398080516
UL:E235027
Объяснение обозначений модели
Параметры контакта реле
| Конфигурации контактов | 1Z,1H,1D | |
| Контактная нагрузка | 30A | 40A |
| Макс.напряжение переключения | 277VAC 30A 30VDC 30A | 277VAC 40A 30VDC 40A |
| Материал контактов реле | Сплав серебра | |
Электромагнитная катушка реле
| Номинальное напряжение В | DC6V | DC12V | DC24V | DC48V | |
| Номинальный ток (±10%) мА | 155 | 78 | 39 | 19.3 | |
| Сопротивление обмотки (±10%) Ом | 39 | 155 | 620 | 2487 | |
| Номинальная мощность Вт | 0.93W | ||||
| Напряжение втягивания(Макс.) В | Ниже 75% | ||||
| Напряжение отпадания(Мин.) В | Выше 10% | ||||
| Допустимое напряжение(Макс.)В | Номинальное напряжение ×110% | ||||
| Номинальное напряжение В | DC12V | DC24V | DC110V | DC220V | |
| Номинальный ток (±10%) мА | 100 | 50 | 11 | 6 | |
| Сопротивление обмотки (±10%) Ом | 42 | 168 | 3500 | 14000 | |
| Номинальная мощность Вт | 0.45Вт | ||||
| Напряжение втягивания(Макс.) В | Ниже 75% | ||||
| Напряжение отпадания(Мин.) В | Выше 10% | ||||
| Допускаемое напряжение(Макс.) В | Номинальное напряжение ×110% | ||||
Характеристика миниатюрного электромагнитного реле NNC67E
| Напряжение обмотки | DC:3 -110V AC:6-240V | |
| Время срабатывания | ≤15ms | |
| Время отпускания | ≤10ms | |
| Выдерживаемое напряжение | Между контактами одной полярности | 1800В AC/мин(ток утечки 1мA) |
| между контактами разной полярности | / | |
| между контактом и катушкой | 2500,4500В AC/мин(ток утечки 1мA) | |
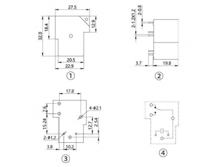
| Размер | 32× 27.5 × 19.8мм | |
| Вес | Около 24г | |
Размер и установка
① Вид спереди; ② Вид сбоку; ③ Установочный размер; ④ Схема соединения
Схожая продукция
релейный переключатель, электрический выключатель, электроустройство