Центрирующие замки для пресс-форм
Запрос цены
                                    
                                                                                                    
                                                                
                                Описание:
Магнитные центрирующие замки обычно применяются, что бы закрепить нагнетаемую пресс-форму за счёт магнитных полей.
- Устойчивость к температурному воздействию: рабочие характеристики не ухудшатся при высоких температурах.
- Долгий срок эксплуатации. Снижение магнетических сил менее чем на 1%
- Простота установки. Один унифицированный магнитный затвор может быть применён для производства разнообразных форм.
- Стабильное поле. Магнитные зажимы не сместятся во время эксплуатации, одновременно с этим они легко настраиваемые.
- Удобство эксплуатации. Магниты могут быть непосредственно установлены на пресс-форму со сторон А и В.
- Не являются частью пресс-формы.
| Тип | Шаг перфорации (MM) | Длина (MM) | Высота (MM) | Ширина (MM) | |
| MLK-400 | 100 | 125 | 60 | 35 | |
| MLK-200 | 100 | 125 | 45 | 35 | |
| MLK-100 | 52 | 70 | 40 | 30 | |
| MLK-80 | 63 | 85 | 40 | 30 | |
| MLK-60 | 52 | 70 | 40 | 30 | 
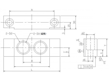
| Тип | Сила зажима | Устойчивость к температурному воздействию | Прочность связи/1набор (20℃) | A | B | S | L | T | t | Д1 | D2 | d1 | d2 | 
| MLK | 40 | ≤ 80℃ | 392.34 N (40 кгс) | 63 | 25 | 60 | 80 | 25 | 12 | 18 | 22 | 9 | 14 | 
| 80 | ≤200℃ | 784.5N (80 кгс) | |||||||||||
| 100 | ≤80℃ | 980.7N 40 (100 кгс) | 100 | 39 | 79 | 126 | 40 | 15 | 30 | 34 | 11 | 18 | |
| 200 | ≤200℃ | 1961.3N (200 кгс) | |||||||||||
| 100 | ≤200℃ | 980.6N (100кгс) | 
| Тип | Сила зажима | Устойчивость к температурному воздействию | Прочность связи/1набор (20℃) | A | S | L | T | D1 | D2 | d1 | d2 | 
| MLKC (компактный) | 20 | ≤80℃ | 196.1N (20 кгс) | 36 | 36 | 50 | 25 | 17.5 | 22 | 6.6 | 11 | 
| 40 | ≤200℃ | 392.N (40 кгс) | |||||||||
| 50 | ≤ 80℃ | 390.31N (50 кгс) | 52 | 70 | 40 | 34 | 9 | 14 | 
Схожая продукция
                                    Обратная связь
                                    
                                    
                                Другие продукты
                                    
                                                            Новинки
                        Подробнее
                                                                                                                                                                                                                                                                                                                                                                            
                                                                                                                                
                                                                                                                                
                                                                                                                                
                                                                                                                                
                                                                                                                                
                                                                                    Другие продукты
                        видео
                            
                                             
                                                 
                                                                                                             
                                                                                                             
                                                                                                             
                                                                                                             
                                                                                                     
                                                                                                     
                                                                                                     
                                                                                                     
                                                                                     
                                                                                     
                                                                                     
                                                                                     
                                                                                     
                                                                                     
                                                                                     
                                                                                     
                                                                                     
                                                                                     
                                                                             
                                                                             
                                                                             
                                            
                                         
                                            
                                         
                                            
                                         
                                            
                                         
                                            
                                        