Сдвоенные насосы высокого и низкого давления
Запрос цены
Техническая информация
- Рабочий объем: 3~30 см3/об.
- Направление вращения: по часовой стрелке (D), против часовой стрелки (S)
- Минимальная скорость: 800 об/мин/мин
- Максимальная скорость: 2500 об/мин/мин
- Пиковое давление: 250 бар
Технические параметры сдвоенного насоса низкого и высокого давления группы 2G/2G
| Производительность | Производительность | Избыточное давление | Макс. постоянное давление | Макс. прерывистое давление | Макс. пиковое давление | Мин. скорость | Макс. скорость | Объемный КПД |
| Y | V | P | P1 | P2 | P3 | nmin | nmax | ηv |
| см3/об. | см3/об. | бар | т/мин | % | ||||
| 3 | 16 | 35...75 | 210 | 230 | 250 | 800 | 2500 | ≥90 |
| 3 | 18 | |||||||
| 4 | 18 | |||||||
| 4 | 20 | |||||||
| 6 | 20 | |||||||
| 6 | 22 | |||||||
| 8 | 20 | |||||||
| 8 | 22 | |||||||
| 10 | 22 | |||||||
| 10 | 25 | |||||||
| 12 | 25 | |||||||
| 12 | 28 | |||||||
| 14 | 28 | |||||||
| 14 | 30 | |||||||
Правила оформления заказа сдвоенного насоса низкого и высокого давления группы 2G/2G
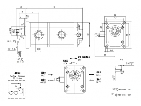
Стандартные размеры сдвоенного насоса высокого и низкого давления 2G/2G
| Производительность | Макс. давление | Max. continuous pressure | Максимальная скорость | Минимальная скорость | Размеры | Код маслянного порта | Входное отверстие | Выходное отверстие | ||||
| Высокая | Низкая | P1 | P2 | P3 | P | L | M | D | d | |||
| ( см3/об.) | ( см3/об.) | бар | бар | бар | бар | (об/мин) | (об/мин) | мм | мм | |||
| 3 | 16 | 210 | 230 | 250 | 3500 | 1000 | 43.6 | 181.8 | L1 | G3/4 | G1/2 | |
| 3 | 18 | 210 | 230 | 250 | 3500 | 1000 | 43.6 | 185.1 | L1 | G3/4 | G1/2 | |
| 4 | 18 | 210 | 230 | 250 | 3500 | 1000 | 44.4 | 186.7 | L1 | G3/4 | G1/2 | |
| 4 | 20 | 210 | 230 | 250 | 3500 | 1000 | 44.4 | 190 | L1 | G3/4 | G1/2 | |
| 6 | 20 | 210 | 230 | 250 | 3500 | 1000 | 46 | 193.3 | L1 | G3/4 | G1/2 | |
| 6 | 22 | 210 | 230 | 250 | 3500 | 1000 | 46 | 196.6 | L1 | G3/4 | G1/2 | |
| 8 | 20 | 210 | 230 | 250 | 35..75 | 3500 | 1000 | 47.7 | 196.6 | L1 | G3/4 | G1/2 |
| 8 | 22 | 210 | 230 | 250 | 3500 | 1000 | 47.7 | 199.9 | L1 | G3/4 | G1/2 | |
| 10 | 22 | 210 | 230 | 250 | 3500 | 1000 | 49.3 | 203.2 | L1 | G3/4 | G1/2 | |
| 10 | 25 | 210 | 230 | 250 | 3500 | 1000 | 49.3 | 208.2 | L1 | G3/4 | G1/2 | |
| 12 | 25 | 210 | 230 | 250 | 3500 | 1000 | 51 | 211.5 | L1 | G3/4 | G1/2 | |
| 12 | 28 | 210 | 230 | 250 | 3500 | 1000 | 51 | 216.5 | L1 | G3/4 | G1/2 | |
| 14 | 28 | 210 | 230 | 250 | 3500 | 1000 | 52.7 | 219.9 | L1 | G3/4 | G1/2 | |
| 14 | 30 | 210 | 230 | 250 | 3500 | 1000 | 52.7 | 223.2 | L1 | G3/4 | G1/2 | |
- Дата: 28-31 Мая 2024Адрес: Крокус Экспо, МоскваНомер стенда: HALL8 8-910Представленный продукт: Гидравлический шестеренный насос
Схожая продукция
Обратная связь
Другие продукты
Новинки
Подробнее
Другие продукты
видео

